Sign In | Join Free | My chinalane.org
China KingPo Technology Development Limited logo
KingPo Technology Development Limited
Verified Supplier

9 Years

Home > IP Testing Equipment >

Aluminum Shelf UL Rain Test Apparatus with 1 Hour Test Time

KingPo Technology Development Limited
Trust Seal
Verified Supplier
Credit Check
Supplier Assessment
Contact Now

Aluminum Shelf UL Rain Test Apparatus with 1 Hour Test Time

  • 1
  • 2
  • 3

Brand Name : kingpo

Model Number : KP-UL01

Certification : iso9001 ce

Place of Origin : china

MOQ : 1

Price : To be quoted

Payment Terms : T/T

Supply Ability : 3-5 sets per month

Delivery Time : 25 working days

Packaging Details : safety carton pack or plywood box

Standard : UL 1598,UL50E

water supply system : 5Psi each spray head

Shelf material : aluminum

Test time : 1h

Contact Now

UL Rain Test Apparatus

Aluminum Shelf UL Rain Test Apparatus with 1 Hour Test Time

Test Equipment: UL Rain Spray Test Apparatus for Outdoor electrical enclosure waterproof test

Applicable Standards: UL1598 / CSA250, UL50E / CSA 94.2, UL 8750 / CSA 250.13, etc. and IEC/EN standard requirements.

Applications: For test laboratory, manufacturer or product designing use, to check the enclosure waterproof of Outdoor installed equipment, such as Street Lighting fixtures and Control panels etc, similar to IEC 60529 IP Code testing.

Specifications:

Detailed in dimensions/drawings of any of above standards.

  • Water pressure gauge: 0 to 20psi.
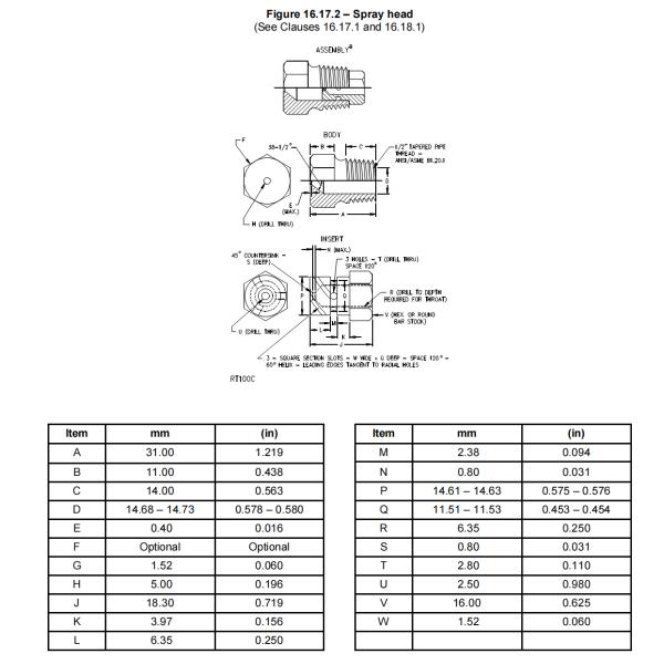
  • Water Spray nozzles comply with of any of above standard requirements.
  • The height of three spray heads is adjustable up and down.

Aluminum Shelf UL Rain Test Apparatus with 1 Hour Test Time

Aluminum Shelf UL Rain Test Apparatus with 1 Hour Test Time

spray head

Aluminum Shelf UL Rain Test Apparatus with 1 Hour Test Time

Aluminum Shelf UL Rain Test Apparatus with 1 Hour Test Time


Product Tags:

Aluminum Shelf Rain Test Apparatus

      

1 Hour Rain Test Apparatus

      

UL Rain Test Apparatus

      
Wholesale Aluminum Shelf UL Rain Test Apparatus with 1 Hour Test Time from china suppliers

Aluminum Shelf UL Rain Test Apparatus with 1 Hour Test Time Images

Inquiry Cart 0
Send your message to this supplier
 
*From:
*To: KingPo Technology Development Limited
*Subject:
*Message:
Characters Remaining: (0/3000)